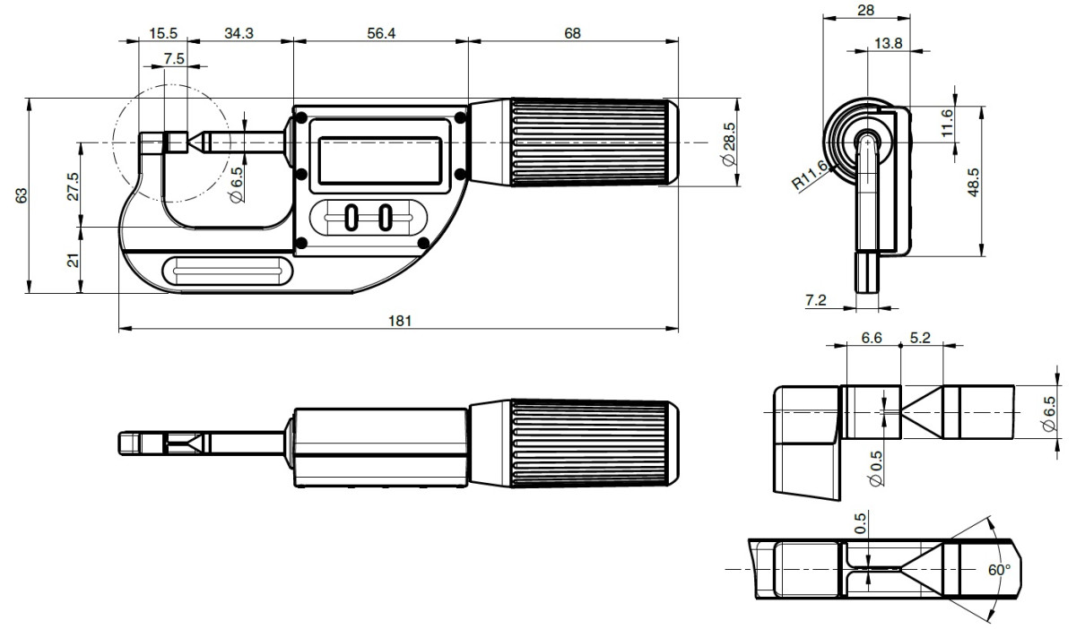
SYLVAC薄片尖頭外徑測微器 檔案下載 加入詢價車 SYLVAC薄片尖頭外徑測微器(IP67) 可調量測壓力5N / 10N 藍牙輸出(可選購藍芽接收器981.7100) 型號 測定範圍 解析度 測砧類型 803.0309 0-25mm 0.001mm 刀型 / 錐形 回上一頁